Блоки питания и аккумуляторы
BAE SECURA OGi Zelle
OGi - элементы фирмы BAЕ предназначены для батарей, соответствующих требованиям высокой эксплуатационной надежности, длительному сроку службы, обеспечения высоких токов разряда при коротком времени разряда и емкостные разряды в течение более длительного времени разряда. Области применения: установки резервного тока на электростанциях, трансформаторные станции, установки беспрерывного обеспечения током, установки надёжного аварийного освещения согласно нормам VDE 0108 und VDE 0107.
Подробная информация
Техническая спецификация закрытых стационарных элементов
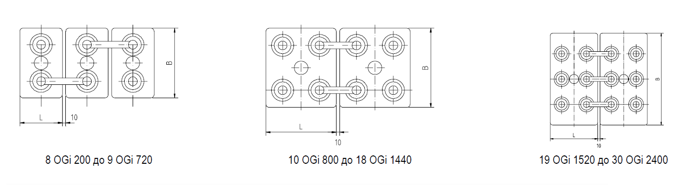
Типы, ёмкости, размеры, вес
Тип
|
C10 h
20 °C Aч |
C5 h
20 °C Aч |
C3 h
20 °C Aч |
C1 h
20 °C Aч |
C8 h
25 °C Aч |
Ri*
мОм |
Ik*
кA |
Длина
мм |
Ширина
мм |
Высота
мм |
Вес,
залитые, кг |
Ue В/элемент
|
1,80
|
1,77
|
1,75
|
1,67
|
1,75
|
||||||
8 OGi 200 |
223
|
203
|
187
|
144
|
216
|
0.49
|
4.24
|
105
|
208
|
420
|
17.3
|
10 OGi 250 |
278
|
253
|
234
|
180
|
270
|
0.392
|
5.31
|
126
|
208
|
420
|
21.3
|
12 OGi 300 |
334
|
304
|
280
|
216
|
324
|
0.327
|
6.36
|
147
|
208
|
420
|
25.2
|
14 OGi 350 |
383
|
349
|
321
|
248
|
372
|
0.280
|
7.43
|
147
|
208
|
420
|
29.1
|
5 OGi 400 |
408
|
359
|
309
|
225
|
397
|
0.45
|
4.50
|
145
|
206
|
700
|
39.5
|
6 OGi 480 |
490
|
431
|
372
|
271
|
476
|
0.375
|
5.40
|
145
|
206
|
700
|
43.0
|
7 OGi 560 |
572
|
500
|
435
|
316
|
556
|
0.321
|
6.30
|
145
|
206
|
700
|
46.5
|
8 OGi 640 |
654
|
575
|
498
|
361
|
636
|
0.281
|
7.20
|
145
|
206
|
700
|
49.7
|
9 OGi 720 |
704
|
620
|
540
|
392
|
685
|
0.25
|
8.10
|
145
|
210
|
700
|
53.5
|
10 OGi 800 |
817
|
715
|
621
|
451
|
795
|
0.225
|
9.00
|
210
|
191
|
700
|
65.8
|
11 OGi 880 |
899
|
790
|
684
|
496
|
872
|
0.205
|
9.90
|
210
|
191
|
700
|
68.9
|
12 OGi 960 |
937
|
825
|
720
|
522
|
912
|
0.188
|
10.80
|
210
|
191
|
700
|
72.5
|
13 OGi 1040 |
1060
|
930
|
807
|
587
|
1032
|
0.173
|
11.70
|
210
|
233
|
700
|
82.9
|
14 OGi 1120 |
1140
|
1005
|
870
|
632
|
1112
|
0.161
|
12.60
|
210
|
233
|
700
|
85.6
|
15 OGi 1200 |
1200
|
1055
|
918
|
666
|
1168
|
0.150
|
13.50
|
210
|
233
|
700
|
90.9
|
16 OGi 1280 |
1250
|
1105
|
963
|
698
|
1216
|
0.141
|
14.40
|
210
|
275
|
700
|
94.0
|
17 OGi 1360 |
1390
|
1220
|
1056
|
767
|
1344
|
0.132
|
15.30
|
210
|
275
|
700
|
98.0
|
18 OGi 1440 |
1420
|
1255
|
1089
|
791
|
1384
|
0.125
|
16.20
|
210
|
275
|
700
|
101.8
|
19 OGi 1520 |
1550
|
1365
|
1182
|
858
|
1504
|
0.118
|
17.10
|
210
|
360
|
675
|
125.0
|
20 OGi 1600 |
1630
|
1435
|
1245
|
903
|
1584
|
0.113
|
18.00
|
210
|
360
|
675
|
126.0
|
21 OGi 1680 |
1710
|
1505
|
1305
|
948
|
1664
|
0.107
|
18.90
|
210
|
360
|
675
|
129.0
|
22 OGi 1760 |
1750
|
1545
|
1344
|
974
|
1704
|
0.102
|
19.80
|
210
|
360
|
675
|
130.0
|
23 OGi 1840 |
1800
|
1590
|
1383
|
1003
|
1752
|
0.098
|
20.70
|
210
|
360
|
675
|
133.0
|
24 OGi 1920 |
1870
|
1660
|
1443
|
1047
|
1824
|
0.094
|
21.60
|
210
|
360
|
675
|
135.0
|
25 OGi 2000 |
2030
|
1785
|
1548
|
1124
|
1976
|
0.090
|
22.50
|
210
|
440
|
675
|
148.0
|
26 OGi 2080 |
2050
|
1810
|
1575
|
1142
|
1992
|
0.087
|
23.40
|
210
|
440
|
675
|
150.0
|
27 OGi 2160 |
2110
|
1865
|
1623
|
1178
|
2056
|
0.083
|
24.30
|
210
|
440
|
675
|
153.0
|
28 OGi 2240 |
2190
|
1935
|
1683
|
1221
|
2128
|
0.080
|
25.20
|
210
|
440
|
675
|
160.0
|
29 OGi 2320 |
2250
|
1995
|
1737
|
1261
|
2200
|
0.078
|
26.10
|
210
|
440
|
675
|
158.0
|
30 OGi 2400 |
2310
|
2050
|
1785
|
1295
|
2256
|
0.075
|
27.00
|
210
|
440
|
675
|
160.0
|
* - Внутреннее сопротивление и ток короткого замыкания согласно IEC 60896-11
Техническая спецификация батарей фирмы BAE SECURA OGi Zelle | |
Положительный электрод | решётчатая пластина с траверсами круглого сечения из коррозионностойкого сплава PbSb1,6SnSe, с большим количеством свинца |
Отрицательный электрод | решетчатая пластина из сплава с низким содержанием сурьмы с экспандером |
Сепарация | микропористый сепаратор |
Электролит | серная кислота, плотность 1,24 кг/л |
Корпус | ударопрочный, прозрачный САН (стирол-акрил-нитрил), категория стандарта UL-94: HB |
Крышка | ударопрочный САН, серой окраски, категория стандарта UL-94: HB |
Пробка | лабиринтная пробка для удержания аэрозоля, по особому заказу керамическая или воронкообразная керамическая пробка согласно DIN 40740 |
Вывод полюсного борна | 100% непроницаемость для газа и электролита, скользящий, с пластмассовой оболочкой полюсный борн „Panzerpol“ |
Исполнение полюсного борна | латунная втулка M10 |
Соединитель (перемычка) | гибкий изолированный медный кабель с поперечными сечениями 25, 35, 50, 70, 95 или 120 мм²; по заказу: плоский изолированный медный кабель с поперечными сечениями 90, 150 или 300 мм² |
Соединительный болт | M10, стальной, изолированный |
Способ защиты | IP 25 согласно DIN 40050, защита от прикосновения согласно VBG 4 |
Заряд | |
IU – график | Iмакс не ограничен U = 2,23 В/элемент ± 1 %, при интервале температур от 10 °C до 30 °C ΔU/ΔT = -0,003 В/К при среднемесячной температуре ниже 10 °C или выше 30 °C |
Ток в режиме подзаряда | 15 мA/100 Aч, возрастающий до 45 мA/100 Aч в конце срока службы |
Заряд повышенным напряжением | U = 2,33 до 2,40 В/элемент, ограничен по времени |
Время заряда до 90 % | 6 ч при начальном токе 1,5xI10, 2,23 В/элемент, 50 % C10 разряжен |
Характеристика разряда | |
Рекомендуемая температура | 20 °C |
Начальная ёмкость | согласно IEC 60896 – 11: 95 % на первом цикле, 100 % на пятом цикле |
Глубина разряда (DOD) | обычно до 80 % |
Глубокий разряд | следует избегать глубины разряда более 80% DOD и разрядов за пределы зависящих от тока конечных напряжений разряда. |
Техническое обслуживание | |
Каждые 6 месяцев | проверять напряжение батареи, напряжение и температуру контрольных элементов |
Каждые 12 месяцев | заносить в протокол напряжение батареи, напряжение и температуру контрольных элементов |
Особенности эксплуатации | |
Срок службы | 20 лет при параллельном режиме готовности при 20 °C до 25 °C |
Интервал долива воды | > 3 года при параллельном режиме готовности при 20 °C до 25 °C |
Количество циклов согласно IEC 60896-11 | > 1200 |
Саморазряд | примерно 3 % в месяц при 20 °C |
Температура эксплуатации | -20 °C до 55 °C (рекомендуется 10 °C до 30 °C) |
Стандарт | DIN 40736, часть 1 |
Испытания согласно | IEC 60896 - 11 |
Нормы безопасности, вентиляция | EN 50272-2 |
Транспортировка | на батареи не распространяются правила ДОПОГ - Дорожная Перевозка Опасных Грузов (ADR) при соблюдении условий особых правил |
Используемая в этих элементах решётчатая пластина благодаря большому количеству свинца и круглому сечению траверсы решётки гарантирует длительный срок службы и большие токи разряда. Гладкостенные корпуса и вертикальное расположение пластин обеспечивают высокую плотность энергии на незначительной площади установки. Прозрачные корпуса обеспечивают абсолютный визуальный контроль и облегчают, таким образом, техническое обслуживание.